Menu
- Akcie
- Black Week
- Novinky
- Creative grooming, Figuríny, Farba, Krieda, Šablóny
- Dezinfekcia, oleje, čistiace kvapaliny
- Gumičky, mašlička, natáčky, sponky, šperky
- Fén, stojan na fén, vysávač, náhradné diely pre fén
- Háčiky na kliešte
- Hrable, hrebeň trimovací, prerezávač
- Hreben, kefa, rukavica na vyčesávanie srsti
- Hrebeň-Náhradný nadstavec
- Kameň trimovací, Trimovací nôž, náprstky, púder na trimovanie
- Kadernícke nožnice na srsť a vlasy
- Kadernícka stolička
- Kadernícka zástera , odev, obuv
- Kliešte na pazúry, na chĺpky, pinzety, brúska
- Kozmetika na oči, uši, zuby, Insekticíd, poranenia
-
Kozmetika na srsť Šampón, Kondicionér, Iné
-
Šampón
- Farbiaci šampón
- Hlboko čistiaci
- Hydratačný
- Hypoalergénne citlivá pokožka
- Kožné ochorenie, svrbenie
- Na dlhú srsť
- Na objem
- Pre drsnosrstých
- Pre lesklú srsť
- Pre mačky
- Pre šteňatá
- Proti zamotaniu
- Na bielu a svetlú srsť
- S podsadou
- Suchý šampón
- Tmavá, čierná srsť
- Univerzálny šampón na prvé umývanie
- Šampón pre kone
- Kondicionér
-
Iná kozmetika pre zvieratá
-
Kozmetické súpravy
-
Maska na srsť
-
Šampón s kondicionérom
-
Čerpadlá, fľaša a iné
-
Šampón
- Krmivo a maškrty pre psa a mačky
- Kurz DVD na strihanie psov
- Laky, fixačný sprej, parfém, skvelý lesk
- Nožnice na strihanie psov
- Obojok, vodítko, postroj, náhubok, bezpečnostný pás
- Obojok ozdobný, bandana, kravata, motýlik
- Ozdoby vianočné
- Pre kone
- Pre Vášho maznáčika
- Príslušenstvo kadernícke a groomerove, organizér, púzdro
- Stôl trimovací, šibenica, guma, úväz
- Strojček na strihanie oviec, koni
- Strojček na strihanie psa a pre kadernictvo
- Strihacia hlavica Clip One a ďalšie
- Stíhacia hlavica pre kone, dobytok
- Strihacia hlavica pre ovce
- Vaňa pre psov, príslušenstvo, uterák
- Náhradné diely pre strojcek
- Náhradné diely pre strihaciu hlavicu
Výrobcovia
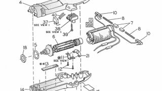
Kondenzátor strojčeka Golden A5, Clipmaster
- Popis
- Hodnotenia
Kondenzátor strojčeka Golden A5, Clipmaster
- Pozícia v schéme Golden A5: č. 43
- Pozícia v schéme Clipmaster (rukoväť): č. 37

